24v DC NMRV 30 worm drive gear motor
Features:
1. Motor type: Brushed DC motor
2 .Gearbox: Worm gearbox, planetary reducer
3. Voltage: 24v- 220v
4. Speed:20rpm-500rpm
5. Type: 70ZYT, 80ZYT, 90ZYT, 110ZYT
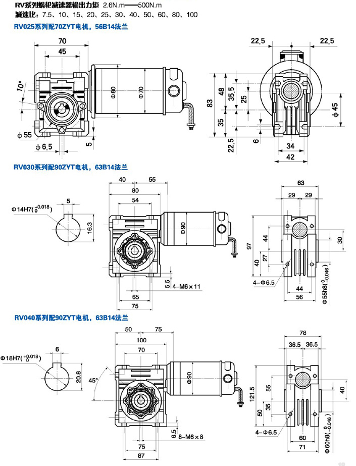
6. Worm gear box: RV030, RV040, RV050, RV063, RV075, NMRVgear reducer
7. Typical application: Brushed motors are widely used in various industrial and commercial applications due to their simple design, low cost, and ease of maintenance. They are suitable for applications that require low to medium power output and low to medium speed operation.
- Information
- Video
- Downloads
Introducing the 24V DC NMRV 30 worm drive gear motor, a versatile and high-performance solution for a wide range of industrial applications. This motor combines a robust 24V DC motor with the precision-engineered NMRV 30 worm drive gear reducer, delivering exceptional power and reliability.
The 24V DC NMRV 30 motor is engineered to operate efficiently at a voltage of 24V, providing optimal performance while minimizing energy consumption. Its reliable and durable construction ensures consistent operation even in demanding environments.
The NMRV 30 worm drive gear reducer integrated with this motor offers precise speed reduction and torque multiplication. This combination allows for smooth and controlled movement, making it well-suited for applications that require accurate and reliable power transmission.
The compact and space-saving design of the 24V DC NMRV 30 motor makes it suitable for installations with limited space without compromising on performance. Its versatility enables it to be used in various industrial machinery and equipment, including conveyor systems, robotics, gate and door openers, and more.
With its high-quality materials and sturdy construction, the 24V DC NMRV 30 motor is built to withstand demanding operating conditions and provide long-lasting performance. It offers excellent torque output and ensures reliable operation even under heavy loads.
Experience the power and efficiency of the 24V DC NMRV 30 worm drive gear motor, a reliable and versatile motor that meets the needs of your industrial applications. Trust in its performance to drive your machinery with precision and reliability.

This series of motors operates smoothly with low noise, high transmission speed ratio, and strong carrying capacity. They can be matched with various types of motors to achieve speed regulation and drive control.
We make Customizable voltage, dimension, performance, shaft, mounting...etc
We make integrated encoder, gearbox, brake...etc
Please Send Inquiry or Question, and We will get you the Best and Most Cost Effective Solution/Proposal.
OPTIONS:
Size: 32mm 36mm 38mm 42mm 52mm 57mm 60mm 63mm 70mm 76mm 80mm 90mm 110mm
Rated voltage : 10v 12v 18v 24v 36v 48v upto 380vdc
Rated torque : upto 3Nm (calculated without gearbox)
Rated speed: upto 15000rpm
Rated power: upto 1000w
Protection class IP 40 50 54 56 66 67 Option
BELOW ARE ONLY TYPICAL MODELS, PLS CONTACT US FOR CUSTOMIZED MOTORS

These are standard shafts of our company above. The diameter of the output shaft can be 6mm, 8mm, 10mm, 12mm, 14mm and so on.We can design and manufacture the shafts according to your demand.

The parameters of the motor above are for your reference.We can design and manufacture according to your required like voltage, power,speed,torque and dimensions.
| Type | Torque | Speed | Power | Voltage | Current(A) | CW/CCW |
| (mN.m) | (r/min) | (w) | (v) | < | speed tolerance(r/min) | |
| 110ZYT01 | 784 | 1500 | 123 | 110 | 1.8 | 100 |
| 110ZYT02 | 784 | 1500 | 123 | 220 | 0.9 | 100 |
| 110ZYT03 | 637 | 3000 | 200 | 110 | 2.8 | 200 |
| 110ZYT04 | 637 | 3000 | 200 | 220 | 1.4 | 200 |
| 110ZYT05 | 637 | 3000 | 200 | 24 | 13 | 200 |
| 110ZYT51 | 1177 | 1500 | 185 | 110 | 2.5 | 100 |
| 110ZYT52 | 1177 | 1500 | 185 | 220 | 1.25 | 100 |
| 110ZYT53 | 980 | 3000 | 308 | 110 | 4 | 200 |
| 110ZYT54 | 980 | 3000 | 308 | 220 | 2 | 200 |
| 110ZYT55 | 980 | 3000 | 308 | 24 | 16.5 | 200 |
| Type | Torque | Speed | Power | Voltage | Current(A) | CW/CCW |
| (mN.m) | (r/min) | (w) | (v) | < | speed tolerance(r/min) | |
| 110ZYT101 | 1560 | 1500 | 245 | 110 | 3 | 100 |
| 110ZYT102 | 1560 | 1500 | 245 | 220 | 1.5 | 100 |
| 110ZYT103 | 1274 | 3000 | 400 | 110 | 4.8 | 200 |
| 110ZYT104 | 1274 | 3000 | 400 | 220 | 2.4 | 200 |
| 110ZYT105 | 1274 | 3000 | 400 | 24 | 22.5 | 200 |
| 110ZYT151 | 2390 | 1500 | 375 | 110 | 4.5 | 100 |
| 110ZYT152 | 2390 | 1500 | 375 | 220 | 2.3 | 100 |
| 110ZYT153 | 2230 | 3000 | 700 | 110 | 8.5 | 200 |
| 110ZYT154 | 2230 | 3000 | 700 | 220 | 4.2 | 200 |
| 110ZYT155 | 2230 | 3000 | 700 | 24 | 45 | 200 |



